VMP regulátor odporové zátěže FV panelů
přímé DC připojení FV panelů k topné spirále
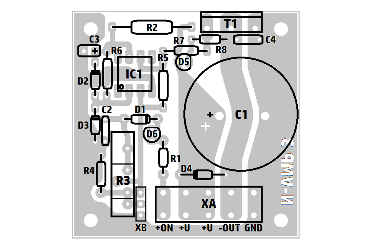
Jednostranné PCB 51x51mm, měd 35um, vyvrtáno.
Desku je potřeba osadit součástkami a oživit.
Nejedná se o stavebnici. Pouze samostatné PCB.
Nejedná se o stavebnici. Pouze samostatné PCB.
- zajišťuje využití výkonu panelů při malém osvitu
- spínací prvek tranzistor N-FET spíná záporný pól zátěže
- umožňuje spínání termostatem bez opalování kontaktů a bez stykače
- pracovní napětí podle použitých součástek 20 až 200V DC, spínaný proud max. 15A
- nastavitelný pracovní bod Vmp (Umpp) se vstupem pro korekční signál 0-5V/R
- nevyžaduje externí napájení Instrukce pro osazení:


